6002-2NSENRC3 Nachi Deep Groove Ball Bearing Rubber Seals w/Snap Ring (15x32x9)

$15.21



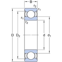
Deep Groove Ball Bearings
Deep groove ball bearings are the most common type of rolling bearing. They have deep raceway grooves on both the inner and outer rings, which allow them to support both radial and axial (thrust) loads in both directions. Their simple design, low friction, and high-speed capability make them widely used in various applications, from electric motors to automotive components.

Key Features:

  • Simple, robust design with deep raceway grooves

  • Capable of handling radial and axial loads in both directions

  • Low friction and suitable for high-speed operation

  • Low maintenance and long service life

  • Available in open, shielded, or sealed configurations

  • Can be supplied with different lubrication options

  • Interchangeable and easy to mount or replace

  • Commonly used in electric motors, pumps, gearboxes, and appliances

SKU 6002-2NSENRC3-NACHI
Brand Nachi
Shipping Weight 0.0320kg
Seal 2RS - Rubber Seals on both sides
Norm. DIN 625-1
Min. Operating Temperature (deg. C) -­20°C
Max. Operating Temperature (deg. C) +120°C
Lifetime Lubricated Yes
Type Of Lubrication Grease
Cage Material Sheet Steel
Rolling Element Material Rolling Bearing Steel
Ring Material Rolling Bearing Steel
Grade Premium
Speed Rating V (Normal)
Precision Class P0 (Normal Precision)
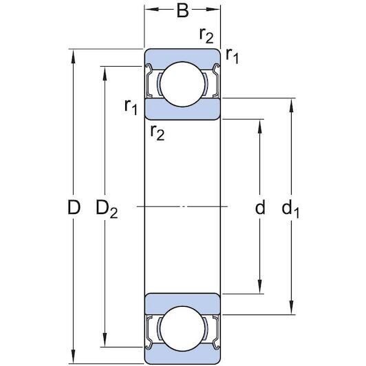
(B) Width (mm) 9
(D) Outside Ø (mm) 32
(d) Inside Ø (mm) 15
Modification Suffix NR - With slot and snap ring
Radial Internal Clearance C3 (Greater clearance than Normal)
Bore Cylindrical

Be The First To Review This Product!

Help other Refast Pty Ltd users shop smarter by writing reviews for products you have purchased.

Write a product review


More From This Category


6200-ZZ Economy Deep Groove Ball Bearing Metal Shields (10x30x9)

6200-ZZ Economy Deep Groove Ball Bearing Metal Shields (10x30x9)

$3.42

Ready To Ship
6920-2RS KOYO Deep Groove Ball Bearing Rubber Seals (100x140x20)

6920-2RS KOYO Deep Groove Ball Bearing Rubber Seals (100x140x20)

$380.51

6202-2NSENRC3 Nachi Deep Groove Ball Bearing Rubber Seals w/Snap Ring (15x35x11)

6202-2NSENRC3 Nachi Deep Groove Ball Bearing Rubber Seals w/Snap Ring (15x35x11)

$11.23

6304-2RS Economy Deep Groove Ball Bearing Rubber Seals (20x52x15)

6304-2RS Economy Deep Groove Ball Bearing Rubber Seals (20x52x15)

$11.91

Low Stock
6305-2RS KOYO Deep Groove Ball Bearing Rubber Seals (25x62x17)

6305-2RS KOYO Deep Groove Ball Bearing Rubber Seals (25x62x17)

$22.65

6316-2RS KOYO Deep Groove Ball Bearing Rubber Seals (80x170x39)

6316-2RS KOYO Deep Groove Ball Bearing Rubber Seals (80x170x39)

$340.67

6318-ZZ KOYO Deep Groove Ball Bearing Metal Shields (90x190x43)

6318-ZZ KOYO Deep Groove Ball Bearing Metal Shields (90x190x43)

$399.16

6201-ZZ KOYO Deep Groove Ball Bearing Metal Shields (12x32x10)

6201-ZZ KOYO Deep Groove Ball Bearing Metal Shields (12x32x10)

$8.58